
For the Inventor, By the Inventor.
Cited by Wikipedia as a comprehensive source for global prolific inventors.
Status Update: 2025 has been successfully filed. 📂
As we close the book on this year, we want to wish you a Holiday season filled with rest and a 2026 that is:
✅ Novel (Original experiences only)
✅ Non-obvious (Breakthrough successes)
✅ Highly Useful (Health and prosperity)
May your next "Big Idea" be just around the corner.
Thank you for making IDiyas the home for global innovation. Here’s to a happy, healthy, and high-impact New Year!
🚀 Keep inventing,
The IDiyas Team
🦾💯Centurion Patentors as of December 30, 2025
Table of Contents
Richard P Howarth
Yunjung Yi
Benjamin Andrew Shaffer
Julian Jaede
Peter Pui Lok Ang
Ha Hyun Lee
Flavio Manzoni
Gur Kimchi
Amir Hossain Parham
Robert A Rabiner
Eric Cohen
Mikko Ollila
Harold Pilo
Zongliang Huo
Donghyun Yeom


Richard P Howarth
Vice President, Design at Apple.

Patent D1107713 – Cover.
Yunjung Yi
Wireless Standardization.


Patent 12513711 – Beam failure recovery for reduced capability (RedCap) wireless devices.
A wireless device receives distinct Random Access configurations for different device types. A type-one device transmits a preamble and monitors its assigned initial bandwidth part for a response.

Benjamin Andrew Shaffer
Industrial Designer at Apple.

Patent D1107679 – Speaker.

Julian Jaede
Industrial Designer at Apple.

Patent D1107713 – Cover.

Peter Pui Lok Ang
Technical expert in improving cellular modem energy efficiency.

Patent 12513774 – Discontinuous reception cycle periodicity.
A UE is configured with a non-integer discontinuous reception (DRX) cycle periodicity.

Ha Hyun Lee
Video Codec Design and Software Engineer at ETRI.

Patent 12513304 – Image encoding/decoding method and apparatus, and recording medium for storing bitstream.
The method creates an initial merge candidate list for a block and then reconfigures it.

Flavio Manzoni
Italian architect and automobile designer. He has held the position of Chief Design Officer at Ferrari since January 2010, leading the development of many Ferrari models, including the LaFerrari.

Patent D1107749 – Display screen with graphical user interface.
The CX platform redefining AI’s next decade
In customer experience, cost savings don’t mean much if loyalty declines.
Gladly helps brands achieve both—maximizing efficiency and lifetime value.
With 240M+ conversations powered and $510M in cost savings delivered, Gladly has the evidence that customer engagement, not deflection, drives stronger economics. Our unified architecture and context-aware AI enable brands to serve customers faster, more personally, and with higher satisfaction—without compromising long-term profitability.
Explore the awards, research, and momentum behind this shift in our Media Kit.
Gur Kimchi
Former Vice President/Co-Founder, Amazon Prime Air.


Patent 12510907 – Aerial vehicle with independent navigation in six degrees of freedom.
A UAV features propulsion mechanisms enabling independent movement across all six degrees of freedom.
Amir Hossain Parham
Senior Scientist at Merck Electronics.


Patent 12514107 – Organic electroluminescent apparatus.
An OLED device uses a host mixture where the electron transporter is a specific dibenzofuran or dibenzothiophene derivative containing a pyridine, pyrimidine, or triazine unit.

Robert A Rabiner
Chief Technical Officer & Founder, IlluminOss Medical.

Patent 12446939 – Apparatus for delivery of reinforcing materials to bone.
The apparatus repairs a fractured bone. It sends a mixture through a tube. Consequently, a balloon expands inside the bone. Finally, a light guide helps cure the material.
Eric Cohen
Software at Beta Bionics.


Patent 12507892 – Remote monitoring of analyte measurements.
A remote monitor receives a server notification about a patient’s analyte event. It then connects to the server to retrieve the detailed sensor data.
Mikko Ollila
Camera and Imaging Lead at Varjo.


Patent 12511768 – Method and apparatus for depth image enhancement.
Depth enhancement is achieved by combining PDAF data from a color camera with standard depth maps within a specific gaze region.
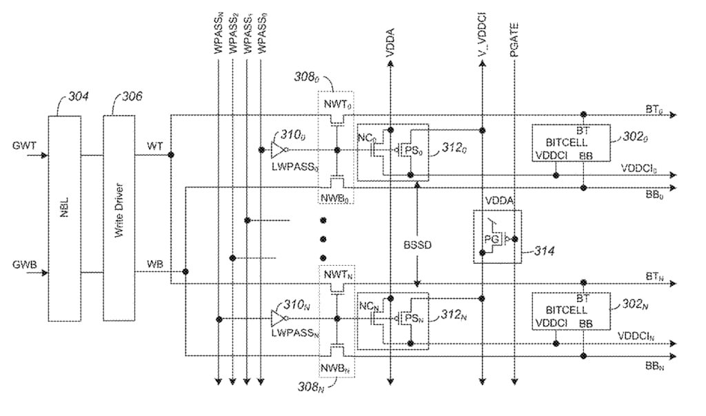
Harold Pilo
Embedded Memory Senior Architect at Synopsys Inc.


Patent 12512151 – Memory with hybrid write assist scheme.
A memory circuit uses an NMOS transistor to allow controlled self-discharge on a selected column during writing, preventing over-discharge. Meanwhile, a PMOS transistor connects voltage to unselected columns.
Zongliang Huo
CTO of Yangtze Memory Technologies, Executive Vice President of the Group, and also the Head of the R&D Engineering Center.


Patent 12513906 – Three-dimensional NAND memory device having word line contact with dielectric filler.
A vertical slit cuts through a semiconductor stack of alternating layers. The distance between the slit and the process stop layer is larger than the distance to the word line layers.
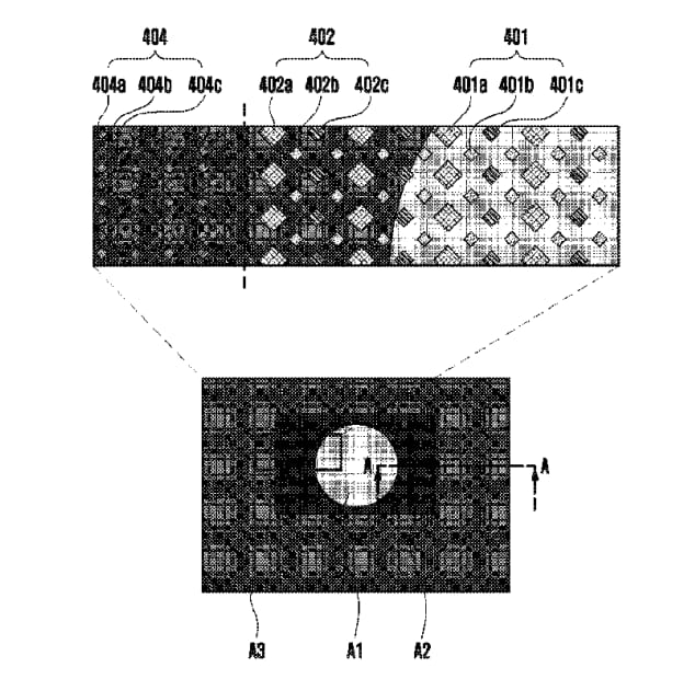
Donghyun Yeom
Patent Scientist.


Patent 12514094 – Electronic device including under display camera and display included in the same.
The display panel hides a camera under a first area. However, this spot lacks circuits. Instead, it wires to a second area. Finally, the rest of the display panel remains standard.
Stop guessing. Start scaling.
See the top-performing Facebook ads in your niche and replicate them using AI. Gethookd shows you what’s actually working so you can increase ROI and scale ad spend with confidence.
Disclosure: Our free newsletter and website may include paid placements (labeled “Sponsored,” “Partnered,” or “Ad”) as well as affiliate links. If you click or make a purchase, we may earn a commission. We are not affiliated with the advertisers featured. These partnerships help us keep the newsletter free for our readers.



